曲管壓力平衡式補償器安裝在管道的拐彎處或與設備連接的空間的管道上。曲管壓力平衡伸縮節能補償軸向位移、橫向位移、而不會對管道系統產生內壓推力。平衡式補償器常用于泵、壓縮機、汽輪機及其他對載荷敏感的管道系統。 且能吸振降噪,確保設備正常運行。曲管壓力平衡式補償器型號補償量根據用戶要求。
一、型號示例:
示例:0.25QYP700×8/4JB
表示:公稱通徑為φ700mm,工作壓力0.25Mpa,波數為8/4,不銹鋼接管連接的曲管壓力平衡式波紋補償器.
二、補償量及支點受力計算:
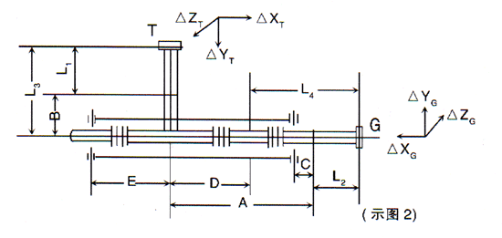
[例]某管道系統通徑DN為700,工作壓力為0.6Mpa,工作溫度120℃,安裝溫度為20℃,較低環境溫度-10℃,管道材料為碳鋼,圖中,T點和G點為支點或設備出口、進口。T、G兩點位置的初始位移分別為△XT=1.7mm,△YT=3.0mm,△ZT=0,△XG=6mm,△YG=4.5mm,△ZG=3mm,L1=0.9mm,L2=5.5m。
三、結構用料:
1.波紋管材質:不銹鋼304、不銹鋼316L、321等;
2.法蘭和接管材質:碳鋼或不銹鋼304、316L、321等;
曲管壓力平衡伸縮節結構用料材質的確定有現場使用工況決定的,使用溫度、防腐、壓力等級等決定。
四、安裝使用:
1、曲管壓力平衡式補償器一般應用在架空的直管線上,水平安裝。
2、曲管壓力平衡伸縮節安裝完后,所有的小拉桿須拆除。小拉桿是指補償器外面的絲杠桿,它的用途一個是確保在補償器運輸過程中免受損壞一個是安裝時避免硬拉伸壓縮。安裝打壓完工后, 要拆除,曲管壓力平衡式補償器才能起到補償的作用的。禁止用安裝拉桿、限位拉桿起吊。
3、 嚴禁焊渣濺傷波紋管。
4、 按產品流向標志安裝。
5、波紋管兩端 合理的設置導向支座及固定支座。
6、不允許用波紋補償器的變形來強行調整管系位置的安裝誤差。